Bepco
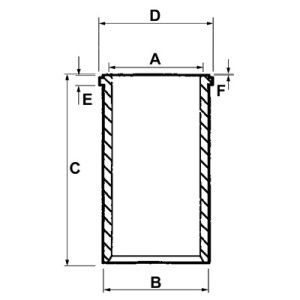
| Opis | SEMI (POLUZAVRŠENO)--SA VENCEM, (A) UP=100,00 (B) SP=104,11 (C) UV=228,00 (D) PV=107,34 |
| A (mm) | 100,00 |
| B (mm) | 104,11 |
| C (mm) | 228,00 |
| D (mm) | 107,34 |
| E (mm) | 3,91 |
| F (mm) | 0,98 |
CILINDAR MOTORA SUVI-KOŠULJICA,-1
- Proizvođač: Bepco
- Marka: Massey Ferguson , Perkins , Yanmar
- Šifra artikla: 6056
- Raspoloživost: Nema na zalihama
Tagovi: CILINDAR MOTORA SUVI-KOŠULJICA, -1

