Bepco
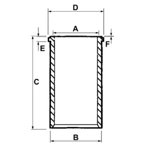
| Opis | SEMI (POLUZAVRŠENO)--BEZ NADVIŠENJA, SA VENCEM, (A) UP=98,48 (B) SP=104,20 (C) UV=226,24 (D) PV=107,37 |
| A (mm) | 98,48 |
| B (mm) | 104,20 |
| C (mm) | 226,24 |
| D (mm) | 107,37 |
| E (mm) | 3,81 |
| F (mm) | 3,81 |
CILINDAR MOTORA SUVI-KOŠULJICA,-1
- Proizvođač: Bepco
- Marka: Imt Imr , Massey Ferguson , Perkins
- Šifra artikla: 7678
Tagovi: CILINDAR MOTORA SUVI-KOŠULJICA, -1


