Bepco
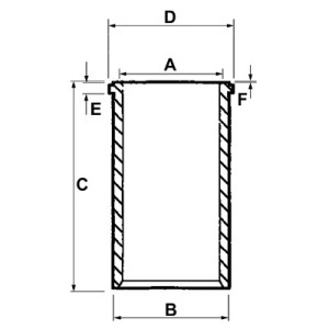
| Opis | SEMI (POLUZAVRŠENO)--SA VENCEM, (A) UP=105,00 (B) SP=108,05 (C) UV=227,00 (D) PV=109,40 |
| A (mm) | 105,00 |
| B (mm) | 108,05 |
| C (mm) | 227,00 |
| D (mm) | 109.40 |
| E (mm) | 5,10 |
CILINDAR MOTORA SUVI-KOŠULJICA,-1
- Proizvođač: Bepco
- Marka: Caterpillar , Massey Ferguson , Perkins , Sisu (valmet)
- Šifra artikla: 6060
Tagovi: CILINDAR MOTORA SUVI-KOŠULJICA, -1


