Bepco
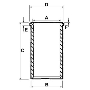
| Opis | SEMI (POLUZAVRŠENO)--SA VENCEM, (A) UP=101,05 (B) SP=104,25 (C) UV=227,28 (D) PV=107,44 |
| A (mm) | 101,05 |
| B (mm) | 104,25 |
| C (mm) | 227,28 |
| D (mm) | 107,44 |
| E (mm) | 3,86 |
| F (mm) | 0,76 |
CILINDAR MOTORA SUVI-KOŠULJICA,-1
- Proizvođač: Bepco
- Marka: Imt Imr , Massey Ferguson , Perkins
- Šifra artikla: 8513
Tagovi: CILINDAR MOTORA SUVI-KOŠULJICA, -1


