Bepco
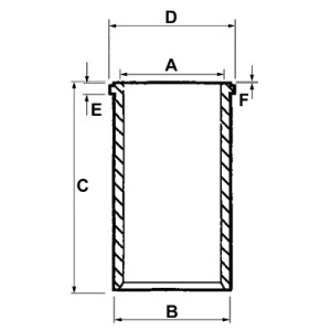
| Opis | SEMI (POLUZAVRŠENO)--BEZ VENCA, (A) UP=100,00 (B) SP=103,06 (C) UV=187,00 (D) PV= |
| A (mm) | 100,00 |
| B (mm) | 103,06 |
| C (mm) | 187,00 |
| D (mm) | |
| E (mm) | |
| F (mm) |
Tagovi: CILINDAR MOTORA SUVI-KOŠULJICA, -1
Bepco
| Opis | SEMI (POLUZAVRŠENO)--BEZ VENCA, (A) UP=100,00 (B) SP=103,06 (C) UV=187,00 (D) PV= |
| A (mm) | 100,00 |
| B (mm) | 103,06 |
| C (mm) | 187,00 |
| D (mm) | |
| E (mm) | |
| F (mm) |
Tagovi: CILINDAR MOTORA SUVI-KOŠULJICA, -1