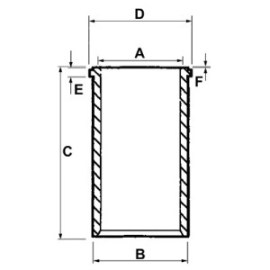
Opis STD--SA VENCEM, (A) UP=104,77 (B) SP=109,372 (C) UV=219,56 (D) PV=112,827
A (mm) 104,77
B (mm) 109,372
C (mm) 219,56
D (mm) 112,827
E (mm) 4,74
F (mm) 0,64

Napišite recenziju

Napomena: HTML nije preveden!
    Loše           Dobro

CILINDAR MOTORA SUVI-KOŠULJICA,-1

  • Marka: Ford
  • Šifra artikla: 11661

Tagovi: CILINDAR MOTORA SUVI-KOŠULJICA, -1