Bepco
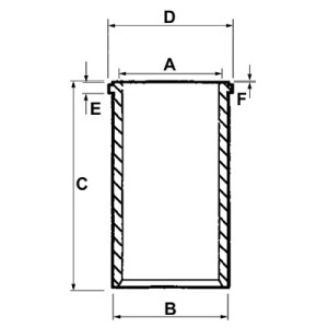
| Opis | SEMI (POLUZAVRŠENO)--SA VENCEM, (A) UP=111,76 (B) SP=114,43 (C) UV=208,53 (D) PV=120,35 |
| A (mm) | 111,76 |
| B (mm) | 114,43 |
| C (mm) | 208,53 |
| D (mm) | 120,35 |
| E (mm) | 2,57 |
CILINDAR MOTORA SUVI-KOŠULJICA,-1
- Proizvođač: Bepco
- Marka: Ford
- Šifra artikla: 9598
- Raspoloživost: Nema na zalihama
Tagovi: CILINDAR MOTORA SUVI-KOŠULJICA, -1



