AROW
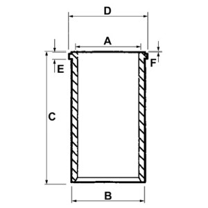
| Opis | SEMI (POLUZAVRŠENO)--SA VENCEM, (A) UP=91,49 (B) SP=93,70 (C) UV=215,75 (D) PV=96,60 |
| A (mm) | 91,49 |
| B (mm) | 93,70 |
| C (mm) | 215,75 |
| D (mm) | 96,60 |
| E (mm) | 3,81 |
| F (mm) |
CILINDAR MOTORA SUVI-KOŠULJICA,-1
- Proizvođač: AROW
- Marka: Imt Imr , Massey Ferguson
- Šifra artikla: 7809
Tagovi: CILINDAR MOTORA SUVI-KOŠULJICA, -1



