AROW
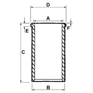
| Opis | SEMI (POLUZAVRŠENO)--SA VENCEM, (A) UP=98,48 (B) SP=103,24 (C) UV=227,25 (D) PV=106,48 |
| A (mm) | 98,48 |
| B (mm) | 103,24 |
| C (mm) | 227,25 |
| D (mm) | 106,48 |
| E (mm) | 3,71 |
CILINDAR MOTORA SUVI-KOŠULJICA,-1
- Proizvođač: AROW
- Marka: Imt Imr , Massey Ferguson
- Šifra artikla: 7810
Tagovi: CILINDAR MOTORA SUVI-KOŠULJICA, -1



